INGEGNERIA - ARCHITETTURA - URBANISTICA TECNOLOGIE PER LA PREFABBRICAZIONE CIVILE ED INDUSTRIALE
INGEGNERIA - ARCHITETTURA - URBANISTICATECNOLOGIE PER LA PREFABBRICAZIONE CIVILE ED INDUSTRIALE

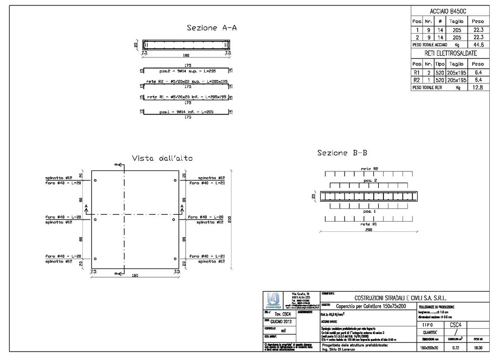
Costruzioni stradali e civili S.A. s.r.l.

Progettazione esecutiva di collettori e cunicoli prefabbricati in c.a.o. relativi alle opere di urbanizzazione primaria dell'area PIP di Caserta. 

 

Importo Lavori: €800.000,00

Classi e Categorie: If

Industria di prefabbricati: IPIEMME S.p.A.

Avete domande o richieste?

Inviateci una email o compilate il nostro modulo online.

Novità

Consultate il nostro nuovo sito web e troverete tutte le novità sui nostri servizi e progetti.

Stampa | Mappa del sito
Studio Edilor - www.studioedilor.it - Tutti i Diritti Riservati